| Sign In | Join Free | My ledscreensign.com |
|
Brand Name : Shareway
Model Number : TGM-010P3RL
Certification : RoHS,CE,Reach
Place of Origin : Guangdong,shenzhen
MOQ : 500/1000
Price : 0.42US$~0.988US$
Payment Terms : TT,Paypal,West Union, Western Union
Supply Ability : 50k-pcs/month
Delivery Time : Stock Or 3 weeks
Packaging Details : Reel/ Tube
Product name : 4.5KVrms Isolation SMD DC/DC Converter transformer
Category : DC/DC Converter
Topology : Push-Pull
Weight : 250~270 mg
Geometryl : Toroidal
Amblent temperature : -40℃~+85℃
Controller : Maxim
Chipset : MAX845
Push-Pull Low Power Transformer
Product detail:
| Shareway Part Number | Trader Part Number | Topology | Geometry | Turns Ratio | Isolation Vrms | Primary Inductance/uH | Pri DCR | ET Constant | Cw/w | Chipset | |
| ST010P3 | TGM-010P3RL | Push-Pull | Toroidal | Pri: Sec=1:1:1 | 500 | 240 | 0.6 ohm Max | 5.5 V-us Min | 12 pF Max | Maxim MAX845 | |
| ST020P3 | TGM-020P3RL | Push-Pull | Toroidal | Pri: Sec=1:1:0.75 | 500 | 240 | 0.6 ohm Max | 5.5 V-us Min | 12 pF Max | Maxim MAX845 | |
| ST030P3 | TGM-030P3RL | Push-Pull | Toroidal | Pri: Sec=1:1:1.5 | 500 | 240 | 0.6 ohm Max | 5.5 V-us Min | 12 pF Max | Maxim MAX845 | |
| ST040P3 | TGM-040P3RL | Push-Pull | Toroidal | Pri: Sec=1:1:1.3:1.3 | 500 | 240 | 0.6 ohm Max | 5.5 V-us Min | 12 pF Max | Maxim MAX845 | |
| ST050P3 | TGM-050P3RL | Push-Pull | Toroidal | Pri: Sec=1:1:1:1:1 | 500 | 240 | 0.6 ohm Max | 5.5 V-us Min | 12 pF Max | Maxim MAX845 | |
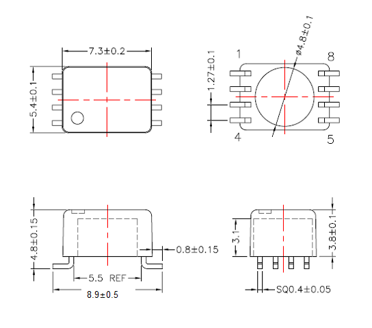
Dimensions:

Type A & Type B






Related Products:
Isolation Transformer:
Single Phase Audio Amplifier Transformer:
RF Wideband transformer:
Push Pull transformer used with Texas Instruments TIDA-00951 REV E2
Why us?
Working with worldwide TOP brand customers including Honeywell, Jabil, NorthBound Networks, with fast lead time and high quality,
we always make our customers happy, you could be the next one :).
Shareway is the preferred supplier of Honeywell.
Shareway ST0531NL is used in Security Alarm Honeywell.
Jabil is the OEM for this project.
Shareway is the preferred supplier of NorthBound Networks.
Shareway SRJ2113ABNL is used in ZODIAC FX OpenFlow switch NorthBound Networks.
NorthBound Networks is the OEM for this project.



Q: Can I have samples for testing quality?
A: Yes, you can buy some samples of any of our products for testing quality and market
Q: What is the delivery time if we place an order?
A: it depends on order quantities. Usually, we can deliver goods within 3-5 working days for small orders, for bigger quantities, let’s confirm when you place official order.
Q: Do you accept OEM/ODM?
A: We Support OEM/ODM Service, we turn your idea into reality.
Q: Can I have my own logo on the products?
Yes, you can put your logo on the products with a required order quantity. Please just send us the information about your Logo.
Q: Do your products meet CE/ROHS requirements?
Yes, the goods with CE/ROHS certification are approved to make sure of high quality.
As a manufacturer, we can ensure the delivery time according to the formal contract.
The effective purchasing and production departments enable us to deliver the goods on time and we can provide amazing service after selling. What we provide are high-level products with high-quality service. Let's talk more in detail to make it happen.
|
|
MAXIM MAX845 Gate Drive Transformer SMPS TGM-010P3RL TGM-P3 Images |